Smart PFM 107- Computer Retrofit Kit Installation
Procedure for removing the industrial PC and installing the single board version
Retrofit kit part number:
200097 PC retrofit Kit _Smart PFM
Old computer Removal
-
On the touch screen, press and hold the shutdown button, ensure the monitor performs its shutdown sequence.

-
Cut all power to the monitor
-
Unplug all the cabling from existing PC, remove the USB drive and set safely to one side
-
Remove the power cabling from CN34 on the IO PCB
-
Remove the D-Sub connector from CN4 on the IO PCB
-
If present, remove the ethernet cable from the plate mounted ethernet port
-
Remove the four sets of fasteners holding the door plate onto to door, set these safely to one side

-
Remove the whole plate from the door
Fitting the New PC
-
Attach the new plate using the fasteners taken off the previous plate

-
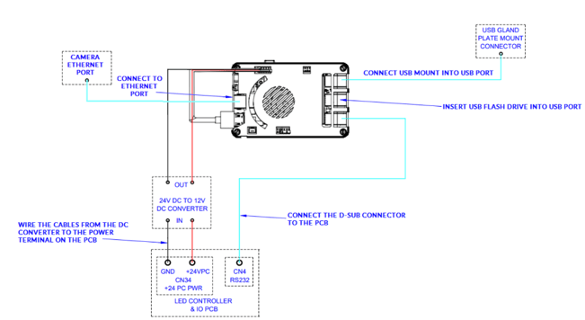
Connect the cabling and USB flash drive according to the below image

-
Re-establish power to the system and ensure the software boots automatically